Staţie de alimentare cu apă cu autoamorsare Wilo- Jet FWJ 202
Wilo- Jet FWJ 202
Staţie de alimentare cu apă Wilo- Jet FWJ 202 cu autoamorsare pentru pomparea apei din fântâni şi rezervoare echipată cu Fluidcontrol.
COD PRODUS: WIL_2543629DISPONIBILITATE: In stoc furnizor
PRODUCATOR: Wilo
GARANTIE: 2 ani
Staţie de alimentare cu apă cu autoamorsare cu mâner de transport opţional cu control electronic al pompei. Utilizabilă pentru pomparea apei din fântâni, rezervoare, sau pentru irigaţii. Este ideală pentru utilizarea în spaţiile exterioare (hobby, grădinarit, etc.).
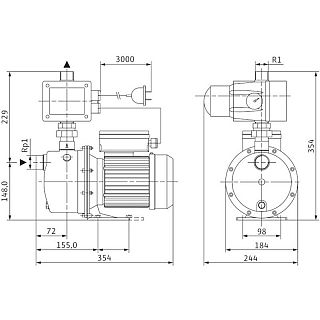
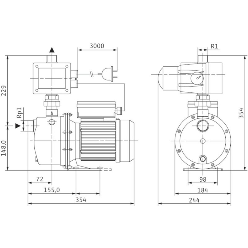
Date tehnice:
- alimentare electrică 1-230 V, 50 Hz;
- putere nominală motor: 0.65 kW;
- presiune de aspiraţie: max. 1 bar;
- presiune de pornire: 1.5 – 2.7 bar;
- presiune de oprire: min. 2.2 bar
- presiune de lucru: max. 6 bar;
- debit maxim: 4.5 mc/h;
- adâncime de aspiraţie: max. 8 m;
- înălţime de pompare: 37 mCA;
- temperatura fluidului de lucru: +5ºC - 35ºC;
- racord de 1” pe aspiraţie şi refulare.
Debit max. (mc/h): 4,5
Înălţime max. de pompare (mCA): 37
-
Opinia cumpărătorilor despre Wilo- Jet FWJ 202
* pentru a putea posta o recenzie / comentariu trebuie să fiţi autentificat











